igus-icon-lupe
igus-icon-lupe
1 von 2
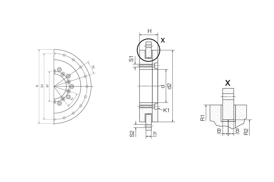
- Rundtischlager mit vergrößertem Außenring
- Absolut wartungsfrei
- Einfache Montage, austauschbare Gleitelemente
- Hohe Verschleißfestigkeit
- Für hohe Belastungen, hohe Steifigkeit
igus-icon-lieferzeitPRT-01-100-M-ARGG
205
Gewindebohrung

