AUSLAUFMODELL
Wir empfehlen für Neukonstruktionen die technisch optimierte e-ketten®-Serie R4.28 aus dem igus® E4.1 Baukasten.
+25% mehr freitragende Länge, höhere Stabilität und Zugfestigkeit, gleiche Abmessungen und Anschlussmaße
Serie R76 ist in begrenzter Stückzahl ab Lager lieferbar. Der Produktsupport und die Lagerhaltung werden ab 2012 eingeschränkt. Bei Fragen dazu wenden Sie sich bitte an Ihren igus®-Ansprechpartner. Vielen Dank für Ihr Verständnis
zur Serie R4.28
Serie R76 - Rohr, geschlossen
1.KMA-Anschlußelemente
2.Anschlußelemente starr oder pendelnd lieferbar
3.R76: Deckel schwenkbar und herausnehmbar
4.R76: Böden herausnehmbar
5.Rohr und Kette kombinierbar
6.Zugentlastung im AE integrierbar
7.22/23: Stege beidseitig herausnehmbar
Lieferbare Innenbreiten Bi: 50 bis 300 mm
Lieferbare Biegeradien R: 75 bis 250 mm
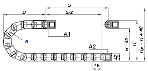
Teilung: 46 mm / Glied = 22 Glieder/m
A=Mitnehmer, B=Festpunkt
Teilung: 46 mm pro Glied
Glieder pro m: 22
Verfahrweg: S
Kettenlänge = S/2 + K
K = Zugschlag für Biegeradius bei der e-ketten Längenberechnung in mm
Hinweis: Kettenlänge für die Kettenglieder wird aufgerundet, da es keine halben Glieder gibt.