Ancien modèle
Pour les nouveaux projets, nous recommandons la Série E4.56 techniquement optimisée de la gamme E4.1t de Chaînes igus®.
+25% de longueur autoportante en plus, stabilité et résistance à la traction accrues, mêmes tailles et mêmes cotes de fixation
La Série 40 est disponible sut stock en quantité limitée. L´assistance produit et le maintien en stock seront réduits à compter de 2012. En cas de questions à ce sujet, veuillez contacter votre interlocuteur igus®. Merci pour votre compréhension
vers Série E4.56
Configurez ici votre propre Système de Chaînes Porte-Câbles. Toutes les saisies et modifications seront enregistrées dans la liste des produits se trouvant en fin de page.
Série 40 - Chaîne avec entretoises à tous les maillons
1. Eléments de fixation KMA
2.Eléments de fixation oscillants ou rigides disponibles
3.R88: couvercle pivotant et amovible.
4.R88:fonds amovibles
5. Gaine et Chaîne combinables
6. Eléments serre-câbles intégrables
7.40/41:entretoises amovibles des deux côtés
Largeurs internes disponibles Bi: 50 bis 600 mm
Rayons de courbure disponibles R: 135 bis 500 mm
Intervalle: 91 mm / maillon= 11 maillons/m
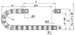
A=point mobile, B=point fixe
Pas : 91 mm par maillon
Maillons au m : 11
Course : S
Longueur de chaîne = S/2 + K
K = supplément pour rayon de courbure pour le calcul de la longueur de la chaîne en mm
Remarque : la longueur de la chaîne pour les maillons est arrondie vers le haut car il n'y a pas de demi-maillons.