Qui è possibile configurare individualmente il sistema di catene portacavi. Tutti gli inserimenti e le modifiche vengono aggiunti all'elenco dei pezzi, che si trova a fine pagina.
Serie 390 - traversini a maglie alterne
1. Traversini nelle catene portacavi rimovibili da entrambi i lati
2. Speciale connessione perno/foro per un movimento silenzioso
3. Possibilità di combinare maglie chiuse ed a traversini
4. Coperchi a cerniera rimovibili con apertura a scatto - catena chiusa
5. Possibilità di separazione interna
6. Superficie di scorrimento ottimizzata - pattini laterali
7. Profilo interno liscio per un'elevata durata dei cavi
8. Disponibilità di attacchi con fissacavi integrati
9. Disponibilità di attacchi KMA a fissaggio universale
10. Disponibilità di attacchi sia oscillanti che fissi
11. Disponibile con raggio di curvatura reversibile
E4/00-NC = Catena portacavi disponibile anche senza pretensione
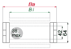
Larghezze interne disponibili Bi: da 25 a 400 mm
Raggi di curvatura R disponibili: da 55 a 350 mm
Passo: 46 mm / maglia = 15 maglie/m