Dopo aver selezionato il codice postale, vi assegneremo immediatamente il personale di riferimento per l'assistenza.
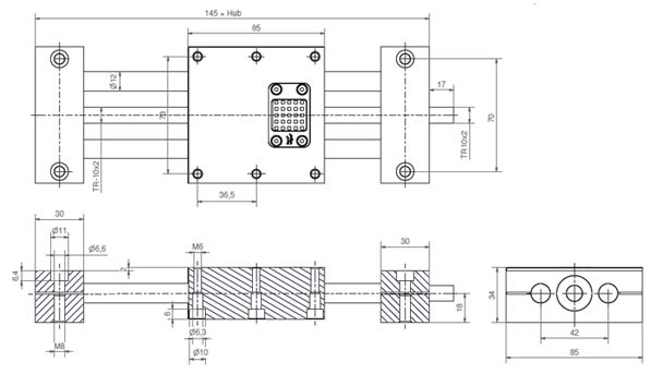
La slitta SHT con meccanismo di sgancio rapido combina un posizionamento accurato e una regolazione rapida a mano.
Versione in alluminio
Per rapide regolazioni di formato
Freno a incastro incluso
Corse selezionabili a piacere
Consigliata solo per applicazioni orizzontali
Max. carico assiale statico: 200 N (applicazione orizzontale)
Max. carico assiale dinamico: 50N
|
cod. art.: |
| Codice art. | A | Al | H | E1 | E2 | E3 | l | R | f | lt | tk | ts | tg | kt | s | sk |
|---|---|---|---|---|---|---|---|---|---|---|---|---|---|---|---|---|
| -0,3 | -0,3 | ±0,15 | ±0,15 | ±0,15 | [mm] | [mm] | [mm] | ±0,1 | [mm] | [mm] | [mm] | ±0,1 | ||||
SHT-12-AWM-FF |
85 | 85 | 34 | 70 | 73 | 36.5 | - | 42 | 2 | 30 | 11 | 6.6 | M8 | 6.4 | 6.3 | 10 |
| Altre informazioni sull'articolo scelto: | ||||||||||||||||
3D CAD
Ordinazione campione
Experts
PDF
Richiesta prezzo
Prezzi differenziati
myCatalog
|
||||||||||||||||
| Codice art. | sg | kq | d | T | l2 | d2* | ha | Lunghezza della corsa max. | Peso | Peso aggiuntivo | ||
|---|---|---|---|---|---|---|---|---|---|---|---|---|
| standard | [mm] | [kg] | per 100 mm | |||||||||
SHT-12-AWM-FF |
M6 | 6 | 12 | TR10x2 | 17 | TR10x2 | 18 | 750 | 1.1 | 0.1 | a richiesta | ![]() |
| Altre informazioni sull'articolo scelto: | ||||||||||||
3D CAD
Ordinazione campione
Experts
PDF
Richiesta prezzo
Prezzi differenziati
myCatalog
|
||||||||||||
Premere > scollegare > muovere manualmente > far scattare in posizione > mettere a punto
drylin® E - descrizione dei prodottiIl miglioramento continuo degli strumenti e il concetto di sistema della tecnologia drylin® esente da lubrificazione.
