Dopo aver selezionato il codice postale, vi assegneremo immediatamente il personale di riferimento per l'assistenza.
1. Scegliere il numero di slitte
2. Scegliere il tipo di slitta
3. Immettere la lunghezza della slitta in mm
4. Scegliere le opzioni per le slitte
5. Scegliere le opzioni del profilo
informazioni dettagliate sono disponibili nei disegni di seguito e anche nelle pagine elencate sotto. Informazioni più precise sui tipi di pattino flottante sono disponibili nelle regole di costruzione.
senza pattino flottante
2Pattino flottante nella direzione z
3Pattino flottante nella direzione y
4Pattino flottante nella direzione yz
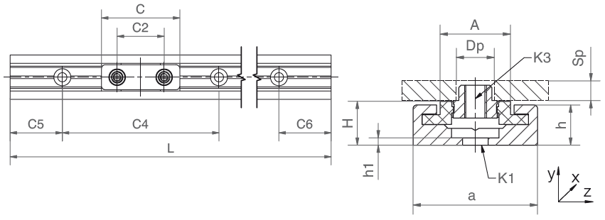
Binari di guida
| Codice art. | L max. | a | C4 | C5 min. | C6 min. | h | h1 | K1 | ly [mm²] | lz [mm²] | Peso [g/m] |
|---|---|---|---|---|---|---|---|---|---|---|---|
| NS-01-17(-AR) | 2.000 | 17 | 60 | 20 | 49,5 | 5,5 | 0,9 | Ø3,5 | 1.700 | 120 | 150 |
| Codice art. | H ±0,35 | A | C | C2 | K3 | Sp | Dp | Peso [g] |
|---|---|---|---|---|---|---|---|---|
| NW-02-17(-P) | 6 | 9,6 | 20 | 14 | M3 | 2,5 | 5,0 | 1,7 |
| NW-22-17-30 | 6 | 9,6 | 30 | 18 | M3 | 2,5 | 5,0 | 2,4 |
| NW-22-17-40 | 6 | 9,6 | 40 | 28 | M3 | 2,5 | 5,0 | 2,6 |
