Change Language :

Besondere Eigenschaften:
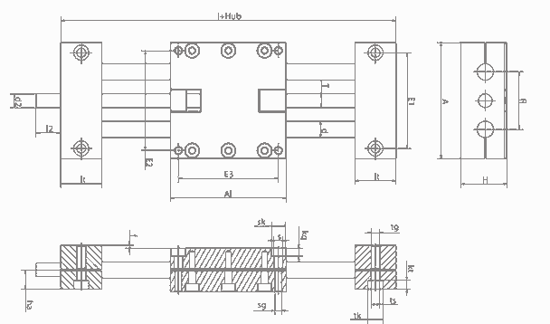
1 - Trapezgewindemutter mit Federvorspannung
2 - Radialspiel beidseitig einstellbar


Teamleiter Innendienst Linear- und Lagertechnik / Produktmanager Low Cost Automation
+41 62 388 97 82E-Mail schreibenVideo-Beratung per Microsoft Teams:
Buchen Sie Ihren Termin für eine Video-Beratung per MS Teams hier.
Chat-Service:
Montag – Donnerstag: 8 – 17 Uhr
Freitag: 8 – 16:30 Uhr
Persönlich:
Montag – Donnerstag: 8 – 17 Uhr
Freitag: 8 – 16:30 Uhr