Change Language :

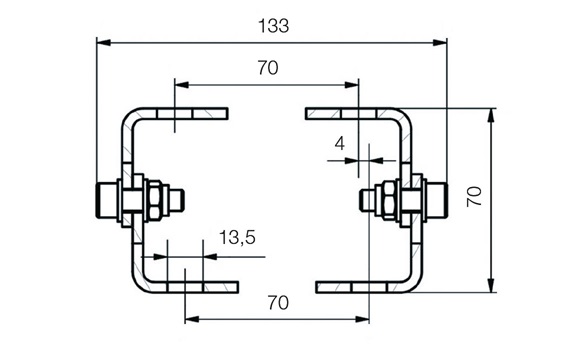
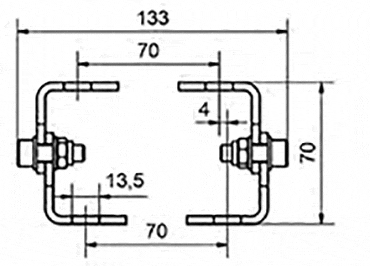
Die optional erhältliche Verstelleinheit wird zwischen Roboterarm und Rückzugsystem angebracht, und erlaubt ein präzises Anpassen der Montageposition unserer igus® Rückzugsysteme auf dem Roboterarm. Besonders empfohlen wenn unterschiedliche Reichweiten mit einem einheitlichen Leitungspaket ausgerüstet werden sollen.

Video-Beratung per Microsoft Teams:
Buchen Sie Ihren Termin für eine Video-Beratung per MS Teams hier.
Chat-Service:
Montag – Donnerstag: 8 – 17 Uhr
Freitag: 8 – 16:30 Uhr
Persönlich:
Montag – Donnerstag: 8 – 17 Uhr
Freitag: 8 – 16:30 Uhr