Change Language :

Stärkste Energiekette - doppelt gesichert - dennoch flexibel
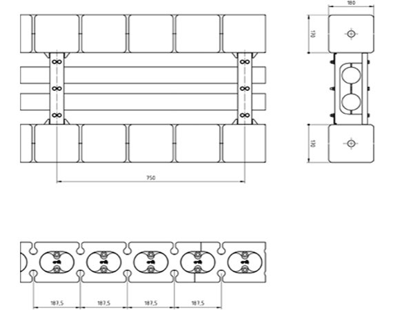
Die Offshore-Kette OSC von igus kommt unter den härtesten Bedingungen zur Anwendung, dort wo Sicherheit, Langlebigkeit, rauste Umwelteinflüsse für die Funktion der Anlage entscheidend sind. Die OSC kombiniert die Vorteile einer Kunststoff-Energiekette mit denen eines hochfesten Zugseils, das in beiden Kettengliedern geführt wird. Zugkräfte werden durch das Kunststoff-Faser-Seil aufgenommen und in die Anschlusselemente geleitet. Die Innenaufteilung kann modular an das Projekt und Leitungspaket angepasst werden. Die e-kette bietet dabei einen Biegeradius von 750mm für Leitungen und Schläuche.

Die Innenaufteilung der Energiekette kann individuell an das Projekt und die zu verwendenen Leitungen/Schläuche angepasst werden. Die Leitungen werden nebeneinander angeordnet und über ein PU Körper (in form eines Kammes) voneinander getrennt. Der Inenaufteilungs-Block wird dabei verliersicher in einen Stahlrahmen eingelegt und von oben mit Schrauben und Bügel verschlossen.
Die Kettenglieder der OSC sind aus einem aufegschäumten PU Material gefertigt und somit stoßunempfindlich. Innerhalb der Kettenglieder läuft das Kunststoff-Seil, welches in jedem Kettenglied mehrfach geklemmt wird. Alle Teile werden verschraubt und können bei Bedarf doppelt gesichert werden.
Das hochfeste Kuststoff-Faser-Seil absorbiert auftretende Zugkräfte und leitet diese in die Anschlusselemente weiter. Dadurch bleiben die Leitungen frei von jedweder Zugbelastung. Das Zugseil kann Zugkräfte bis zu 187kN aufnehmen.
Das Kunststoff-Faser-Seil endet in den beiden Stahl-Anschlusselementen. An diesem Punkt befindet sich auch die Zugentlastung der Leitungen. Das Anschlusselement kann mittels Durchgangslöchern an die Kundenstruktur geschraubt werden.

| Leitungsdurchmesser | Max. 80 mm |
| Hi [mm] | Max. 80 mm |
| Ha [mm] | 180 mm |
| Teilung [mm] | 187,5 / 750 |
| Biegeradius [mm] | 750 mm |
| Gewicht [kg/m] | 40 kg/m |
| Workload [kN] | 187 kN |
Die Offshore-Kette OCS kann in folgenden Branchen eingesetzt werden:
Damit Leitungen selbst mit großen Querschnitten und hohem Gewicht in hängenden Anwendungen sicher geführt werden können, hat igus die Offshore-Kette entwickelt. Bei dieser Energiekette handelt es sich um die stärkste und robusteste Energiekette aus dem Hause igus. Speziell entwickelt um hohe Leitungsgewichte oder auch Windlasten Stand zu halten. Durch die verbauten Kunststoff-Seile im Inneren der Kettenglieder kann die Energiekette Zuglasten bis 187 kN aufnehmen.
Aufgebaut wird die neue Energieführung von igus um ein hochzugfestes Kunststoffseil, das die Zugkräfte auf das System aufnimmt. Das Seil besteht aus einer synthetischen Kunststofffaser und ist dadurch bruchsicher, wetterbeständig, flexibel und korrosionsfrei. Das ermöglich der e-Kette Zuglasten von bis zu 187kN aufzunehmen.
Die e-kette ist von oben durch das Lösen von Schrauben auf dem Öffnungssteg zu öffnen. Somit hat man Zugriff auf das Leitungspaket und kann entsprechend tauschen. Eine andere Möglichkeit besteht da drin die Leitungen der Länge nach durch die OSC zu ziehen.
Die Lieferung der OSC-Kette ist abhängig von der Kettenlänge. Üblicherweise wird die OSC-Kette vormontiert angeliefert, wobei die Endmontage beim Kunden erfolgt. Die Montage übernimmt gerne unser erfahrenes Installationsteam.
Alle Teile der Kette werden miteinander verschraubt und mit Keilunterlegscheiben gesichert und verklebt. Bei Bedarf können diese Verbindungen zusätzlich durch einen Splint verliersicher als doppelte Schraubensicherung ausgeführt werden.

Video-Beratung per Microsoft Teams:
Buchen Sie Ihren Termin für eine Video-Beratung per MS Teams hier.
Chat-Service:
Montag – Donnerstag: 8 – 17 Uhr
Freitag: 8 – 16:30 Uhr
Persönlich:
Montag – Donnerstag: 8 – 17 Uhr
Freitag: 8 – 16:30 Uhr