Change Language :

SHTP-FF in leicher Vollkunststoffausführung
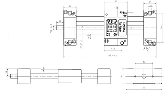
Das SHTP-Linearmodul mit Schnellverschluss-Mechanismus hat alle Vorteile wie die Aluminium Versionen, ist aber aufgrund der Kunststoffausführungen bei Schlitten und Traversen um einiges leichter. Ein Linearmodul mit 100 mm Hublänge hat ein Gewicht von nur 0,35 kg.

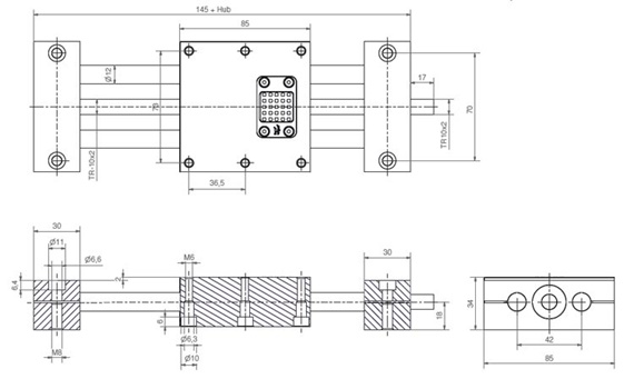
...anschlussfertig konfektionierte Linearmodule mit Hublängen in 250 und 500 mm im Online-Shop bestellen.

Teamleiter Innendienst Linear- und Lagertechnik / Produktmanager Low Cost Automation
+41 62 388 97 82E-Mail schreibenVideo-Beratung per Microsoft Teams:
Buchen Sie Ihren Termin für eine Video-Beratung per MS Teams hier.
Chat-Service:
Montag – Donnerstag: 8 – 17 Uhr
Freitag: 8 – 16:30 Uhr
Persönlich:
Montag – Donnerstag: 8 – 17 Uhr
Freitag: 8 – 16:30 Uhr