Change Language :
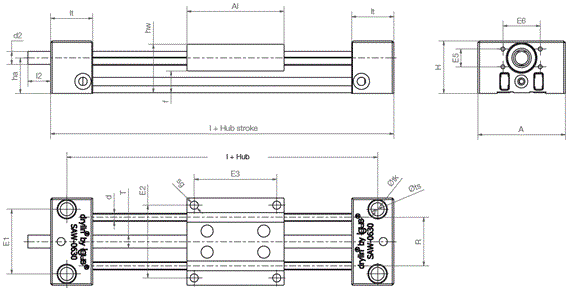
Der Aufbau des drylin® Linearmoduls SAW basiert auf der schmierfreien drylin® W Linearführung mit einem Carbon Schienenprofil und einem dry-tech® Linearschlitten. Die Spindel ist wahlweise mit Stahl/ Edelstahl oder beschichtetem Aluminium konfigurierbar. Der innovative Einsatz von Carbon reduziert das Schienengewicht um ca. 25% gegenüber Aluminium.
Typische Anwendungsbereiche: Medizin- und Analysetechnik, Mess- und Inspektionstechnik
Folgende Optionen sind für SAW Produktreihe direkt online konfigurierbar.

Teamleiter Innendienst Linear- und Lagertechnik / Produktmanager Low Cost Automation
+41 62 388 97 82E-Mail schreibenVideo-Beratung per Microsoft Teams:
Buchen Sie Ihren Termin für eine Video-Beratung per MS Teams hier.
Chat-Service:
Montag – Donnerstag: 8 – 17 Uhr
Freitag: 8 – 16:30 Uhr
Persönlich:
Montag – Donnerstag: 8 – 17 Uhr
Freitag: 8 – 16:30 Uhr