Change Language :

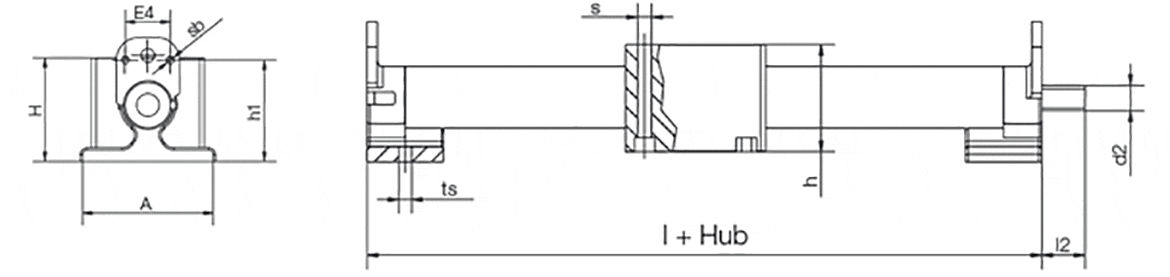
Die Lineareinheit für leichte Verstellaufgaben ist durch einen einfachen, aber effektiven und soliden Aufbau gekennzeichnet. Aus wenigen Bauteilen wird ein Komplettsystem moduliert. Das außen liegende anodisierte Aluminiumrohr führt den oder die Führungsschlitten und schützt gleichzeitig die Trapezgewindespindel und -mutter vor äußeren Einflüssen. Schlitten, Momentenstütze sowie Trapezgewindemutter sind aus einem "Guss" und werden aus einem speziellen Gleitlager-Hochleistungspolymer gefertigt. Das garantiert Schmierfreiheit bei gleichzeitig niedrigem Reibwert und optimalem Verschleißverhalten. Auch in den Axiallagern der Spindel werden iglidur®- Gleitlagerwerkstoffe verwendet.

Teamleiter Innendienst Linear- und Lagertechnik / Produktmanager Low Cost Automation
+41 62 388 97 82E-Mail schreibenVideo-Beratung per Microsoft Teams:
Buchen Sie Ihren Termin für eine Video-Beratung per MS Teams hier.
Chat-Service:
Montag – Donnerstag: 8 – 17 Uhr
Freitag: 8 – 16:30 Uhr
Persönlich:
Montag – Donnerstag: 8 – 17 Uhr
Freitag: 8 – 16:30 Uhr