Change Language :
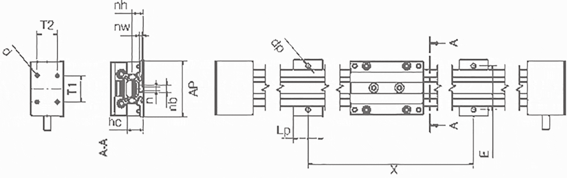
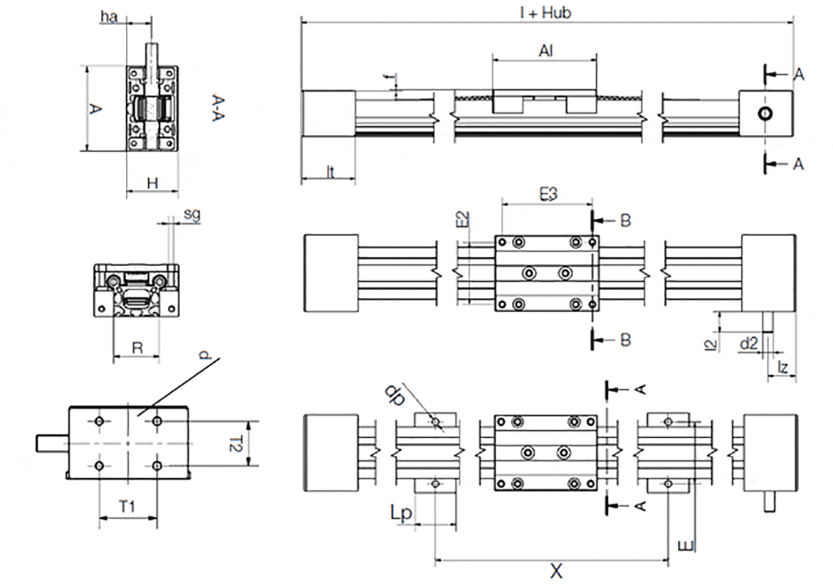
Die Zahnriemenachse drylin® ZLW-1040 ist die ideale Lösung für viele Positionieraufgaben. Die Einbauhöhe beträgt nur 45 mm. Die Hublänge ist frei wählbar (maximal 2000 Millimeter). Der Schlitten ist in 3 Größen verfügbar. drylin®ZLW-1040 ist in der Baureihe „Basic 02“ und in der „Standard 02“ lieferbar. Auch als Einsteigermodell der econ-Serie erhältlich.


Festlegen der Position der Antriebswelle (rechts oder links), in Blickrichtung x!
1 = Antriebswelle links
2 = Antriebswelle rechts
x = Blickrichtung Antriebswelle

Teamleiter Innendienst Linear- und Lagertechnik / Produktmanager Low Cost Automation
+41 62 388 97 82E-Mail schreibenVideo-Beratung per Microsoft Teams:
Buchen Sie Ihren Termin für eine Video-Beratung per MS Teams hier.
Chat-Service:
Montag – Donnerstag: 8 – 17 Uhr
Freitag: 8 – 16:30 Uhr
Persönlich:
Montag – Donnerstag: 8 – 17 Uhr
Freitag: 8 – 16:30 Uhr