Veuillez sélectionner votre lieu de livraison

Le choix du site pays peut avoir un effet sur différents facteurs tels que le prix, les options de livraison et la disponibilité des produits.
Mon interlocuteur
Sélectionner un département

Indiquez-nous votre code postal, et nous vous dirons aussitôt lequel de nos collaborateurs pourra vous aider.

CH(FR)

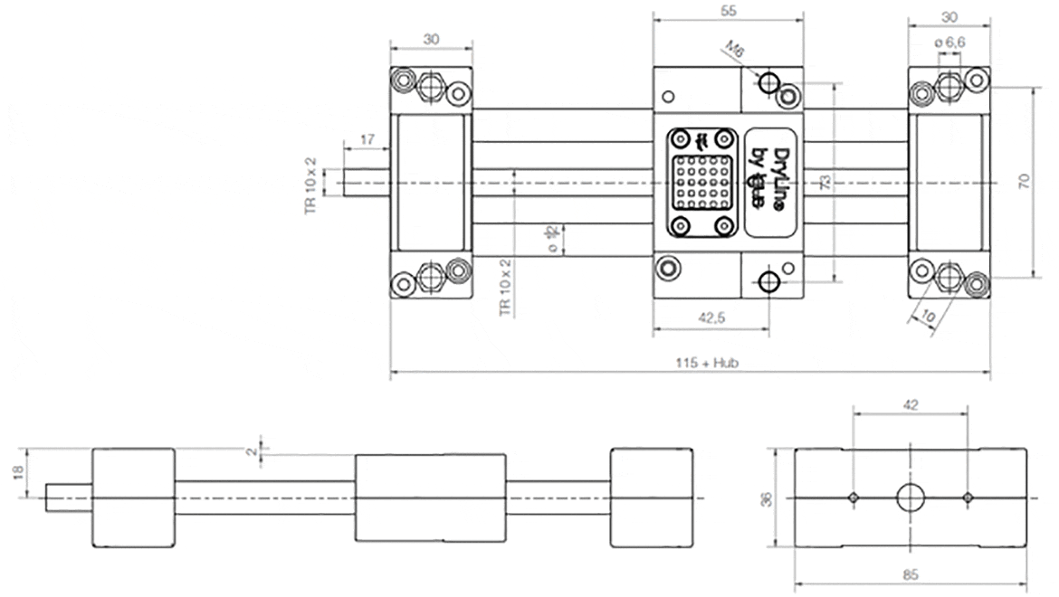
Table linéaire à vis trapézoïdale SHTP-FF à fermeture rapide

Les tables linéaires à vis trapézoïdale SHTP à mécanisme à fermeture rapide allient positionnement précis et réglage rapide à la main.

version légère toute en plastique

Pour les changements de format rapides

Freinage par blocage automatique, avec

Courses définissables à volonté

Recommandées uniquement pour les applications horizontales

Charge axiale stat. maxi 200 N

Charge axiale dyn. maxi 50 N

SHTP-FF

Vont avec cette référence :


Réf. : A Al H E1 E2 E3 l R f lt tk ts kt
  -0,3 -0,3   ±0,15 ±0,15 ±0,15 [mm] [mm] [mm] ±0,1 ±0,1    
prêt(s) à être expédié(s) en 3-4 jours ouvrés depuis l'usine (DE) SHTP-01-12-AWM-FF (1) 85 55 36 70 73 42,5 115 42 2 30 10 6,6 0
Plus d'informations sur l'article choisi :
CAO 3D CAO 3D
Commande d‘échantillons Commande d‘échantillons
PDF PDF
Demande de prix Demande de prix
myCatalog myCatalog

(1) Films lisses et écrou TR en iglidur® J

Réf. : sg d T l2 d2* ha Course
max.
Weight Poids supplémentaire

   
          standard   [mm] [kg] par 100 mm    
prêt(s) à être expédié(s) en 3-4 jours ouvrés depuis l'usine (DE) SHTP-01-12-AWM-FF (1) M6 12 TR10x2 17 TR10x2 18 500 0,35 0,11 Sur demande Dans le panier
Plus d'informations sur l'article choisi :
CAO 3D CAO 3D
Commande d‘échantillons Commande d‘échantillons
PDF PDF
Demande de prix Demande de prix
myCatalog myCatalog

(1) Films lisses et écrou TR en iglidur® J

Plus d'informations :


Vont avec cette référence :

prêt(s) à être expédié(s) en 48 heures Vue d'ensemble de la gamme drylin® E

La conséquence logique de l'idée de module et de système de la technique linéaire sans graisse drylin®

prêt(s) à être expédié(s) en 48 heures
prêt(s) à être expédié(s) en 3-4 jours ouvrés depuis l'usine (DE)

Les termes "Apiro", "AutoChain", "CFRIP", "chainflex", "chainge", "chains for cranes", "ConProtect", "cradle-chain", "CTD", "drygear", "drylin", "dryspin", "dry-tech", "dryway", "easy chain", "e-chain", "e-chain systems", "e-ketten", "e-kettensysteme", "e-loop", "energy chain", "energy chain systems", "enjoyneering", "e-skin", "e-spool", "fixflex", "flizz", "i.Cee", "ibow", "igear", "iglidur", "igubal", "igumid", "igus", "igus improves what moves", "igus:bike", "igusGO", "igutex", "iguverse", "iguversum", "kineKIT", "kopla", "manus", "motion plastics", "motion polymers", "motionary", "plastics for longer life", "print2mold", "Rawbot", "RBTX", "readycable", "readychain", "ReBeL", "ReCyycle", "reguse", "robolink", "Rohbot", "savfe", "speedigus", "superwise", "take the dryway", "tribofilament", "tribotape", "triflex", "twisterchain", "when it moves, igus improves", "xirodur", "xiros" and "yes" sont des marques protégées de la société igus® en République fédérale d'Allemagne et le cas échéant à niveau international. Il s'agit ici d'une liste non exhaustive de marques (demandes de marques en cours ou marques déposées par exemple) de la société igus ou de sociétés affiliées à igus en Allemagne, dans l'Union européenne, aux États-Unis et/ou dans d'autres pays ou juridictions.

La société igus® GmbH signale qu'elle ne vend pas de produits des sociétés Allen Bradley, B&R, Baumüller, Beckhoff, Lahr, Control Techniques, Danaher Motion, ELAU, FAGOR, FANUC, Festo, Heidenhain, Jetter, Lenze, LinMot, LTi DRiVES, Mitsubishi, NUM, Parker, Bosch Rexroth, SEW, Siemens, Stöber ni de tous les autres fabricants d'entraînements indiqués sur ce site Web. Les produits proposés par igus® sont des produits de la société igus® GmbH