Indiquez-nous votre code postal, et nous vous dirons aussitôt lequel de nos collaborateurs pourra vous aider.
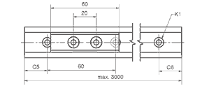
| N° de commande | Longueur d´arbre maxi | a | C4 | A3 | C5=C6 | h | h1 | K1* | ly | lz | Poids du rail | Prix / m | ||
|---|---|---|---|---|---|---|---|---|---|---|---|---|---|---|
| [L max.] | min. | max. | [mm2] | [mm2] | [g/m] | |||||||||
NS-01-27 |
3000 | 27 | 60 | 0 | 20 | 20/49,5 | 9 | 1.1 | M4 | 6524 | 588 | 290 | 24.96 EUR | ![]() |
NS-01-27-UNGEBOHRT |
3000 | 27 | 0 | 0 | 0 | - | 9 | 1.1 | 0 | 6524 | 588 | 290 | Sur demande | ![]() |
NS-01-27-AR |
3000 | 27 | 60 | 0 | 20 | 20/49,5 | 9 | 1.1 | M4 | 6524 | 588 | 290 | 29.96 EUR | ![]() |
| Plus d'informations sur l'article choisi : | ||||||||||||||
CAO 3D
Page produits
Commande d‘échantillons
Experts
PDF
Demande de prix
Prix avec remises progressives
myCatalog
|
||||||||||||||
| N° de commande | Poids du patin | ||
|---|---|---|---|
| [g] | |||
| NW-22-27-60-P | 12 | 5.60 EUR | ![]() |
| Plus d'informations sur l'article choisi : | |||
CAO 3D
Page produits
Commande d‘échantillons
Experts
PDF
Demande de prix
Prix avec remises progressives
myCatalog
|
|||
1. Définition du nombre de patins
2. Type de patin
3. Longueur de rail en mm
4. Options pour les patins
5. Options pour les rails
Vous trouverez des informations détaillées dans les croquis et les tableaux ci-dessus ainsi que sous les rubriques suivantes. Vous trouverez des informations précises concernant les paliers flottants sous la rubrique "Consignes de construction"
Capacité de charge statique et couple surfacique d'inertie
