Selezionare la località di consegna

La scelta della pagina del paese/regione può influire su diversi parametri, come prezzo, opzioni di spedizione e disponibilità del prodotto.
Il mio contatto
Seleziona luogo

Dopo aver selezionato il codice postale, vi assegneremo immediatamente il personale di riferimento per l'assistenza.

CH(IT)

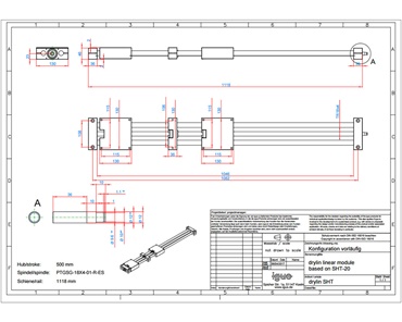
Configuratore per tecnologia per azionamenti drylin® SHT

Voi definite l'asse lineare. Noi lo consegniamo!

Risparmiate tempo e riducete i costi. Assemblate facilmente online il vostro modulo lineare SHT con vite in pochissimi clic del mouse. Dimensione di installazione, materiali, passi della vite, slitte multiple, azionamento inverso sinistra/destra, lavorazione del terminale. Possiamo fare tutto. Il vostro modulo lineare è adatto all'ambiente della vostra applicazione? Potete verificarlo in modo molto semplice – il modello CAD 3D e il disegno dimensionale 2D in PDF sono inclusi. Volete far funzionare il vostro modulo lineare manualmente o tramite un motore? Possiamo fare entrambe le cose. Basta selezionare gli accessori e il motore adatto. E in che modo volete controllare il vostro motore o asse lineare? igus® può fare anche questo. Basta ordinare contemporaneamente il sistema di controllo motore dryve adeguato. E in che modo effettuo un ordine? Trasferite nel carrello, effettuate l'ordine e ricevete la vostra consegna. Questo è il servizio igus®.
Vai al configuratore SHT
Configurare un asse lineare SHT con vite di guida

In pochi passaggi configurate l'asse lineare con vite e madrevite

Configuratore drylin® SHT
  • Selezione di quattro dimensioni di installazione
  • Filetto trapezoidale o filetto multiprincipio dryspin®
  • Versioni con slitta singola o multipla
  • Si può configurare anche in modo da essere conforme FDA per i settori alimentare e farmaceutico
  • NOVITÀ: motori passo-passo NEMA; motori a corrente continua EC/DC, sistemi di controllo motore dryve,  interruttori di prossimità, cavo di collegamento

Configuratore per tecnologia per azionamenti drylin® SHT 1. Immettete i parametri dell'applicazione
Configuratore per tecnologia per azionamenti drylin® SHT 2. Configurate il sistema
Configuratore per tecnologia per azionamenti drylin® SHT 3. Configurate perno di azionamento o accessori
Configuratore per tecnologia per azionamenti drylin® SHT 4. Controllate il riepilogo
Configuratore per tecnologia per azionamenti drylin® SHT 5. Visualizzate il modello 3D-CAD interattivo
Configuratore per tecnologia per azionamenti drylin® SHT 6. Scaricate il disegno dimensionale in PDF

Più tecnologia con igus Miglioramento della tecnologia
  • Configuratore online per moduli lineari SHT
  • Configuratore per slitte singole o multiple
  • Veloce filetto multiprincipio o filettatura trapezoidale irreversibile dryspin®
  • Configurazione pronta per la connessione
Cost down con igus

Riduzione dei costi

    • Configurazione semplice online di un modulo lineare
    • Tutte le parti si possono assemblare
    • Riduzione del tempo di progettazione grazie al sistema pronto per il collegamento (modulo lineare/motore/sistema di controllo motore dryve)
    • Incluso disegno dimensionale 2D e modello 3D CAD
    Provato da igus Prova
    • Durata d'esercizio calcolabile online
    • Tutti modelli di configurazione chiari e plausibili
    • Incluso disegno dimensionale 2D e modello 3D CAD
    igus è sostenibile Sostenibilità
    • igus sostiene l'economia circolare della plastica e investe nel riciclo chimico. Ulteriori informazioni sul progetto: Plastic2Oil



    I termini "Apiro", "AutoChain", "CFRIP", "chainflex", "chainge", "chains for cranes", "ConProtect", "cradle-chain", "CTD", "drygear", "drylin", "dryspin", "dry-tech", "dryway", "easy chain", "e-chain", "e-chain systems", "e-ketten", "e-kettensysteme", "energy chain", "energy chain systems", "e-loop", "enjoyneering", "e-skin", "e-spool", "fixflex", "flizz", "i.Cee", "ibow", "igear", "iglidur", "igubal", "igumid", "igus", "igus improves what moves", "igus:bike", "igusGO", "igutex", "iguverse", "iguversum", "kineKIT", "kopla", "manus", "motion plastics", "motion polymers", "motionary", "plastics for longer life", "print2mold", "Rawbot", "RBTX", "readycable", "readychain", "ReBeL", "ReCycle", "reguse", "robolink", "Rohbot", "savfe", "speedigus", "superwise", "take the dryway", "tribofilament", "tribotape", "triflex", "twisterchain", "when it moves, igus improves", "xirodur", "xiros" e "yes" sono marchi registrati di igus® GmbH legalmente protetti nella Repubblica Federale Tedesca e, ove applicabile, in alcuni paesi esteri. Si tratta di un elenco non esaustivo di marchi (ad es. in corso di registrazione o marchi registrati) di igus® GmbH o di società affiliate a igus® in Germania, nell´Unione Europea, negli Stati Uniti e/o in altri paesi o giurisdizioni.

    igus® GmbH dichiara di non vendere prodotti delle aziende Allen Bradley, B&R, Baumüller, Beckhoff, Lahr, Control Techniques, Danaher Motion, ELAU, FAGOR, FANUC, Festo, Heidenhain, Jetter, Lenze, LinMot, LTi DRiVES, Mitsubishi, NUM, Parker, Bosch Rexroth, SEW, Siemens, Stöber e tutti gli altri produttori di sistemi di azionamento menzionati in questo sito web. I prodotti proposti da igus® sono quelli di igus® GmbH