Selezionare la località di consegna

La scelta della pagina del paese/regione può influire su diversi parametri, come prezzo, opzioni di spedizione e disponibilità del prodotto.
Il mio contatto
Seleziona luogo

Dopo aver selezionato il codice postale, vi assegneremo immediatamente il personale di riferimento per l'assistenza.

CH(IT)

Proprietà speciali scorrimento incrociato

Elevata precisione, rigidezza estrema e allineamento preciso con la produzione CNC

Disponibile come versione standard e precaricata

100% esente da lubrificazione e resistente alla corrosione

Regolazioni mediante vite trapezoidale TR 10x2

Montaggio dell'unità superiore con regolazione a sinistra o a destra possibile

Accessori disponibili (pomello, indicatore di posizione …)

Scorrimento incrociato

SHT-XY - dimensioni d'installazione delle slitte XY

Slitta XY drylin SHT-XY-08-AWM XY

SHT-XY-08-AWM

  • Lunghezza max. della corsa: 150 mm
  • Lunghezza della slitta: 65 mm
  • Materiale albero: alluminio
  • Diametro dell'albero: 8 mm
Slitta XY drylin SHT-XY-12-AWM

SHT-XY-12-AWM

  • Lunghezza max. della corsa: 350 mm
  • Lunghezza della slitta: 85 mm
  • Materiale albero: alluminio
  • Diametro dell'albero: 12 mm

Con precarico molla - versioni PL

Slitta XY drylin SHT-XY-12-AWM PL

SHT-XY-12-AWM-PL

  • Lunghezza max. della corsa: 350 mm
  • Lunghezza della slitta: 85 mm
  • Materiale albero: alluminio
  • Diametro dell'albero: 12 mm
  • Con precarico
Slitta XY drylin SHT-XY-20-AWM PL

SHT-XY-20-EWM-PL

  • Lunghezza max. della corsa: 500 mm
  • Lunghezza della slitta: 130 mm
  • Materiale dell'albero: acciaio inossidabile
  • Diametro dell'albero: 20 mm
  • Con precarico

SHT/SHT-PL - Scorrimento incrociato


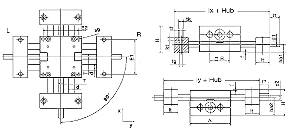
Lunghezze e pesi dello scorrimento incrociato [mm]

N. d'ordine A
-0,3
[mm]
H
 
[mm]
E1
±0,15
[mm]
E2
±0,15
[mm]
Lunghezza
base lx
[mm]
Lunghezza
base ly
[mm]
R
 
[mm]
f
 
[mm]
lt
±0,1
[mm]
tk
 
[mm]
ts
 
[mm]
tg
 
kt
 
[mm]
in spedizione entro 8-12 giorni lavorativi SHT-XY-12 85 56 70 73 145 145 42 2 30 11 6.6 M8 6.4
in spedizione entro 8-12 giorni lavorativi SHT-XY-08 65 42 52 56 96 96 32 1.5 15.5 10 5.5 M6 7
in spedizione entro 8-12 giorni lavorativi SHT-XY-12-PL 85 56 70 73 145 145 42 2 30 11 6.6 M8 6.4
in spedizione entro 8-12 giorni lavorativi SHT-XY-20-EWM-PL 130 86 108 115 202 202 72 2 36 15 9 M10 8.6
Altre informazioni sull'articolo scelto:
3D CAD 3D CAD
Ordinazione campione Ordinazione campione
PDF PDF
Richiesta prezzo Richiesta prezzo
myCatalog myCatalog

Dimensioni scorrimento incrociato [mm]

N. d'ordine sg
 

d
 
[mm]
T
 
l1
 
[mm]
d1
Standard
d1
alternativa
l2
 
[mm]
d2
Standard
d2
alternativa
ha1
 
[mm]
ha2
 
[mm]
W
ha2-ha1
[mm]
in spedizione entro 8-12 giorni lavorativi SHT-XY-12 M6 12 TR10x2 17 TR10x2 6h9 17 6h9 18 38 20
in spedizione entro 8-12 giorni lavorativi SHT-XY-08 M5 8 TR6x2/TR6,35x2,54 15.5 TR6x2/TR6,35x2,54 5 15 5 13 29 16
in spedizione entro 8-12 giorni lavorativi SHT-XY-12-PL M6 12 TR10x2 17 TR10x2 6h9 17 6h9 18 38 20
in spedizione entro 8-12 giorni lavorativi SHT-XY-20-EWM-PL M8 20 TR18x4 26 TR18x4 - 26 12h9 23 63 40
Altre informazioni sull'articolo scelto:
3D CAD 3D CAD
Ordinazione campione Ordinazione campione
PDF PDF
Richiesta prezzo Richiesta prezzo
myCatalog myCatalog
Potete ordinare il pomello dell'asse y da montare a destra o sinistra.
Sinistra: SHT-XY-12-AWM-L-200-300 per corse di lunghezza di 200 mm in direzione x e di 300 mm in direzione y.
Destra: SHT-XY-12-AWM-R-200-300 per corse di lunghezza di 200 mm in direzione x e di 300 mm in direzione y.

Opzioni tecniche per la serie SHT

Per la gamma di prodotti SHT-XY sono disponibili le seguenti opzioni.


Altre informazioni e accessori per lo scorrimento incrociato



in spedizione entro 8-12 giorni lavorativi

I termini "Apiro", "AutoChain", "CFRIP", "chainflex", "chainge", "chains for cranes", "ConProtect", "cradle-chain", "CTD", "drygear", "drylin", "dryspin", "dry-tech", "dryway", "easy chain", "e-chain", "e-chain systems", "e-ketten", "e-kettensysteme", "energy chain", "energy chain systems", "e-loop", "enjoyneering", "e-skin", "e-spool", "fixflex", "flizz", "i.Cee", "ibow", "igear", "iglidur", "igubal", "igumid", "igus", "igus improves what moves", "igus:bike", "igusGO", "igutex", "iguverse", "iguversum", "kineKIT", "kopla", "manus", "motion plastics", "motion polymers", "motionary", "plastics for longer life", "print2mold", "Rawbot", "RBTX", "readycable", "readychain", "ReBeL", "ReCycle", "reguse", "robolink", "Rohbot", "savfe", "speedigus", "superwise", "take the dryway", "tribofilament", "tribotape", "triflex", "twisterchain", "when it moves, igus improves", "xirodur", "xiros" e "yes" sono marchi registrati di igus® GmbH legalmente protetti nella Repubblica Federale Tedesca e, ove applicabile, in alcuni paesi esteri. Si tratta di un elenco non esaustivo di marchi (ad es. in corso di registrazione o marchi registrati) di igus® GmbH o di società affiliate a igus® in Germania, nell´Unione Europea, negli Stati Uniti e/o in altri paesi o giurisdizioni.

igus® GmbH dichiara di non vendere prodotti delle aziende Allen Bradley, B&R, Baumüller, Beckhoff, Lahr, Control Techniques, Danaher Motion, ELAU, FAGOR, FANUC, Festo, Heidenhain, Jetter, Lenze, LinMot, LTi DRiVES, Mitsubishi, NUM, Parker, Bosch Rexroth, SEW, Siemens, Stöber e tutti gli altri produttori di sistemi di azionamento menzionati in questo sito web. I prodotti proposti da igus® sono quelli di igus® GmbH