Selezionare la località di consegna

La scelta della pagina del paese/regione può influire su diversi parametri, come prezzo, opzioni di spedizione e disponibilità del prodotto.

Office chain OCO - Design study

Facile da riempire grazie al principio "easy"

La office chain OCO.20 è un semplice sistema per la guida dei cavi nelle scrivanie, per l'ufficio. Non ha un raggio definito e può piegarsi in due direzioni. Può anche essere allungata o accorciata molto facilmente. Le staffe di montaggio sono molto simili alle maglie della catena e si differenziano solo per i magneti incorporati con cui la catena può essere fissata alla parte metallica della scrivania. Grazie a due piccoli fori, si può anche optare per un fissaggio mediante viti.
Inviate subito una richiesta

Tech up

Tech up

  • Design ottimizzato
  • Flessibilità
  • Facile da allungare e accorciare
  • Attacchi con magnete incorporato per un
    facile fissaggio
  • Buona forza di tenuta della maglia e-chain® , fino a 150N
Cost down

Cost down

  • Risparmio di costi e tempi di installazione grazie al principio "easy" per l'inserimento dei cavi senza utensili
  • Ordinabile alla lunghezza desiderata
  • Soluzione economica
Testato

Testato

  • OCO.20 test di trazione: i prototipi stampati in 3D sono stati sottoposti con successo a test di trazione che mostrano una forza di tenuta di 420 N
Sostenibilità

Sostenibilità

  • Senza bisfenolo A (BPA-free)
  • 100% senza alogeni, particolarmente adatta per edifici pubblici
  • Riciclate le vostre catene portacavi a fine vita con il programma igus chainge
    . igus ricicla tutte le catene portacavi in plastica, indipendentemente dal costruttore.  Riceverete un voucher del programma chainge
  • igus sostiene l'economia circolare della plastica e investe nel riciclo chimico

Office chain OCO.20


È semplice:

L'apertura secondo il principio "easy" non è al centro della maglia, ma sfalsata di lato. Installando le maglie della catena in modo alternato, le fessure sono sfalsate fra loro, il che garantisce che i cavi possano essere facilmente inseriti ma allo stesso tempo non possano uscire.
Office chain OCO.20

 
Magneti integrati negli attacchi per un facile fissaggio alle parti metalliche delle scrivanie
Office chain OCO.20

 
Possibile anche, in alternativa, il fissaggio a vite

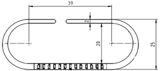
Dati tecnici

Office chain OCO.20 - Dati tecnici


Codice art.Altezza internaAltezza esternaLarghezza internaLarghezza esterna
OCO.2020 mm25 mm39 mm64 mm

Disponibile su richiesta
 
Inviate subito una richiesta

Prodotti similari

Office chain OCR

Office chain OCR

Clip magnetiche per il fissaggio e facile sistema di blocco/sblocco della maglia della catena
Office chain ZF14

Office chain ZF14

Inserimento rapido dei cavi. Attacchi per aggancio rapido della catena - Catena certificata UL94-V2
triflex R

Catena portacavi su 3 assi triflex R

Principio "easy" per rapido inserimento dei cavi. Circa +/- 10° di torsione per ogni maglia di catena

Altre informazioni

Novità 2020

Panoramica delle novità 2020 di catene portacavi

Scoprite le altre novità del 2020 per diverse applicazioni.
Catalogo novità 2020

Catalogo delle Novità 2020

Tutte le informazioni sui nostri nuovi prodotti e sugli ampliamenti di gamma nel catalogo gratuito.
Catene portacavi

Catene portacavi

Spazi ed ambienti di installazione molto diversi.  Ampia scelta di prodotti - trovate subito la soluzione giusta. Con 36 mesi di garanzia.


I termini "Apiro", "AutoChain", "CFRIP", "chainflex", "chainge", "chains for cranes", "ConProtect", "cradle-chain", "CTD", "drygear", "drylin", "dryspin", "dry-tech", "dryway", "easy chain", "e-chain", "e-chain systems", "e-ketten", "e-kettensysteme", "energy chain", "energy chain systems", "e-loop", "enjoyneering", "e-skin", "e-spool", "fixflex", "flizz", "i.Cee", "ibow", "igear", "iglidur", "igubal", "igumid", "igus", "igus improves what moves", "igus:bike", "igusGO", "igutex", "iguverse", "iguversum", "kineKIT", "kopla", "manus", "motion plastics", "motion polymers", "motionary", "plastics for longer life", "print2mold", "Rawbot", "RBTX", "readycable", "readychain", "ReBeL", "ReCycle", "reguse", "robolink", "Rohbot", "savfe", "speedigus", "superwise", "take the dryway", "tribofilament", "tribotape", "triflex", "twisterchain", "when it moves, igus improves", "xirodur", "xiros" e "yes" sono marchi registrati di igus® SE & Co. KG legalmente protetti nella Repubblica Federale Tedesca e, ove applicabile, in alcuni paesi esteri. Si tratta di un elenco non esaustivo di marchi (ad es. in corso di registrazione o marchi registrati) di igus® SE & Co. KG o di società affiliate a igus® in Germania, nell´Unione Europea, negli Stati Uniti e/o in altri paesi o giurisdizioni.

igus® SE & Co. KG dichiara di non vendere prodotti delle aziende Allen Bradley, B&R, Baumüller, Beckhoff, Lahr, Control Techniques, Danaher Motion, ELAU, FAGOR, FANUC, Festo, Heidenhain, Jetter, Lenze, LinMot, LTi DRiVES, Mitsubishi, NUM, Parker, Bosch Rexroth, SEW, Siemens, Stöber e tutti gli altri produttori di sistemi di azionamento menzionati in questo sito web. I prodotti proposti da igus® sono quelli di igus® SE & Co. KG